Home Order in Math English Decimals Geometry Planes-Planes Circles Triangles Trig Common Commonsense Right Angles Two Known Sides Pythagorean LineAngles Relate Solving Triangles Problem Solving Coord. Systems NC Angles Bending Bend Allowance Bend Deduction More Bend Ded. 90° Bends More 90° Bends Internal Features Measuring Tools Software/Calc FAB Books Measuring Tools Software/Calcs Fab Books
No part of this publication may be reproduced, or transmitted, or stored, in any form or by any means, electronic, mechanical, photocopying, recording, or otherwise, without the prior written permission of SheetMetalWorkBook.com Sixth Edition Reformatted for Internet ©2012 SheetMetalWorkBook.com
STUFF FOR SALE
TABLE OF CONTENTS
Please Donate if you find this site helpful. Just a dollar or two means so much!
Dimensioning Internal Features
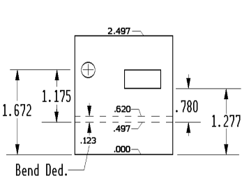
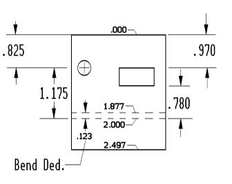
Dimensioning internal features is done the same way as figuring  developed lengths or widths. Bend deduction or bend allowance  compensation has to be used when calculating the placement of  internal fea-tures. Holes and cutouts can be dimensioned on  blueprints many different ways. Some of these can be: from outside  apex of material of a bend, inside apex of material of a bend, or  from an outside edge of the part.  In the illustrations below the top picture is a representation  of a formed angle as it would possibly appear on a blueprint. The  hole and cutout is located from the outside apex of the material.  Since this is a ninety degree bend it is also tangent to the bend.  to calculate the placement of the hole from the bottom of the  blank you would take .620 minus the bend deduction of .123 and  then add 1.175 giving you 1.672. 
When you get to the acute and  obtuse bend sections remember that  internal features are calculated  the same ways that are used for  developing overall lengths and  widths. Just imagine that the  dimensions used from the bends to  the outside edges are going to  internal features instead. 
Use .123 Bend Deduction
FLAT PATTERN SAMPLE 2 Dimensions placed from top of flat part
FLAT PATTERN SAMPLE 1 Dimensions placed from bottom of flat part
Internal Features